Model: YGX-FM3552B Six Axis Force / Torque Sensor (6 axis load cell) Extra thin
Features and Applications
6 axis force/torque sensor, also called as 6 axis load cell, measures 6 components of forces and torques.
6 axis force/torque sensors (6 axis load cells) are for Robotics & Automation, Biomechanics, automotive crash dummy and durability tests.
Matrix-Decoupled: The forces and moments are obtained by pre-multiplying a 6X6 decoupled
matrix to the six output voltages. The decoupled matrix can be found from the calibration report
supplied with the sensor.
Structurally Decoupled: The six output voltages are independent, each of which represents one
of the forces or moments. The sensitivity can be found from the calibration report.
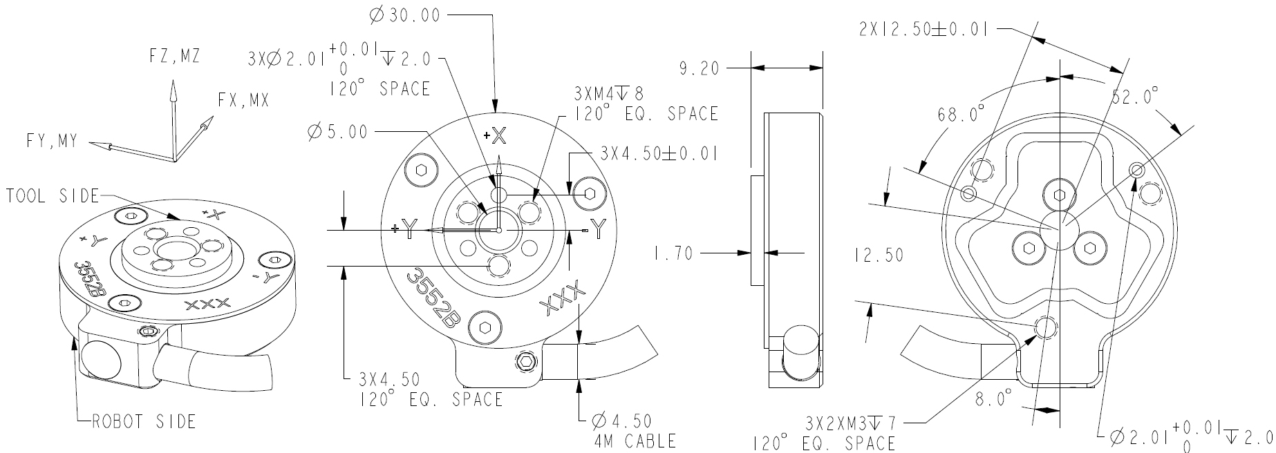
FM35XX series: extra thin 9.2mm, ø30 to ø90mm, 150 to 2000N, 2.2 to 40Nm, overload capacity 300%.
FM35XX series are 6 axis F/T sensor with thickness of 9.2mm, thinnest commercially available. The sensors are matrix-decoupled, nonlinearity & hysteresis 1%, crosstalk 3%, overload 300%, IP60 protection.
Loading diagram :

Dimensions(mm):(Fx/Fy/Fz : 150/150/250N Mx/My/Mz : 2.25/2.25/2.25Nm)Diameter :30mm
Positive output when the load is applied to the tool side of the load cell. Per coordinate system as shown.
Channels are coupled, and decoupled matrix provided.
|
|
Fx
|
Fy
|
Fz
|
Mx
|
My
|
Mz
|
|
Capacity(N/Nm)
|
150
|
150
|
250
|
2.25
|
2.25
|
2.25
|
|
Output(mV/V)
|
Coupled
|
|
Bridge Res.(Ω)
|
350
|
700
|
350
|
700
|
350
|
700
|
|
Wiring code-Twisted pair
|
|
FUNC
|
CHN1
|
CHN2
|
CHN3
|
CHN4
|
CHN5
|
CHN6
|
|
+SIG
|
White(Brown)
|
Org.(Brown)
|
Blue(Brown)
|
Yel.(Brown)
|
Red(Brown)
|
White(Black)
|
|
-SIG
|
Brown(White)
|
Brown(Org.)
|
Brown(Blue)
|
Brown(Yel.)
|
Brown(Red)
|
Black(White)
|
|
+ EXC
|
Red(Black)
|
|
- EXC
|
Black(Red)
|
|
Yel.=Yellow, Org. = Orange; White(Brown)=White cable in white/Brown pair
|
Specification:
|
Exitation Max.
|
7 V
|
|
Overload capacity
|
200% F.S.
|
|
Free air resonant Freq.
|
2200HZ.
|
|
Crosstalk
|
4.0% F.S
|
|
Non-linearity
|
1.5% F.S.
|
|
Hysteresis
|
1.5% F.S.
|
|
Operating temp. range
|
-40~ +90℃
|
|
Compensated Temp. range
|
10~70℃
|
|
Mass
|
0.011KG
|
YGX-FM35XX series: extra thin 9.2mm, ø30 to ø90mm, 150 to 2000N, 2.2 to 40Nm, the details as following:
|
Model
|
Description
|
Capacity(N/Nm)
|
Dimension(mm)
|
Mass
(kg)
|
|
Fx,Fy
|
Fz
|
Mx,My
|
Mz
|
OD
|
Height
|
ID
|
|
3552B
|
Extra thin 6 axis load cell D30mm F150N
|
150
|
250
|
2.25
|
2.25
|
30
|
9.2
|
5
|
0.01
|
|
3552C
|
Extra thin 6 axis load cell D30mm F300N
|
300
|
500
|
4.50
|
4.50
|
30
|
9.2
|
5
|
0.03
|
|
3552D
|
Extra thin 6 axis load cell D30mm F600N
|
600
|
1000
|
9.00
|
9.00
|
30
|
9.2
|
5
|
0.03
|
|
3553B
|
Extra thin 6 axis load cell D45mm F150N
|
150
|
250
|
3.50
|
3.50
|
45
|
9.2
|
9
|
0.03
|
|
3553B1
|
Extra thin 6 axis load cell D45mm F150N
|
150
|
250
|
3.50
|
3.50
|
45
|
9.2
|
9
|
0.03
|
|
3553C
|
Extra thin 6 axis load cell D45mm F300N
|
300
|
500
|
7.00
|
7.00
|
45
|
9.2
|
10
|
0.06
|
|
3553D
|
Extra thin 6 axis load cell D45mm F600N
|
600
|
1000
|
13.50
|
13.50
|
45
|
9.2
|
10
|
0.06
|
|
3553E
|
Extra thin 6 axis load cell D45mm F1200N
|
1200
|
2000
|
27.00
|
27.00
|
45
|
9.2
|
10
|
0.06
|
|
3554C
|
Extra thin 6 axis load cell D60mm F300N
|
300
|
500
|
10.00
|
10.00
|
60
|
9.2
|
21
|
0.11
|
|
3554D
|
Extra thin 6 axis load cell D60mm F600N
|
600
|
1000
|
20.00
|
20.00
|
60
|
9.2
|
21
|
0.11
|
|
3554E
|
Extra thin 6 axis load cell D60mm F1200N
|
1200
|
2000
|
40.00
|
40.00
|
60
|
9.2
|
21
|
0.11
|
|
3555D
|
Extra thin 6 axis load cell D90mm F600N
|
600
|
1000
|
40.00
|
40.00
|
90
|
9.2
|
45
|
0.26
|
|
3564F
|
Extra thin 6 axis load cell D65mm F2500N
|
2500
|
5000
|
200.00
|
100.00
|
65
|
9.2
|
10
|
0.19
|