Model: YGX-TQ1010
Features and Applications
The resistance strain is an integrated product composed of
a sensitive component and an integrated circuit, power supply
and signal output are realized by a brush.
Medium and low range torque measurement.
The torque values in both directions can be measured.
The two ends are connected by shaft keys, which is easy to install and use.
Speed up to 1800 rpm
Capacity: 5,10,20,50,100,200,300,500,1000Nm
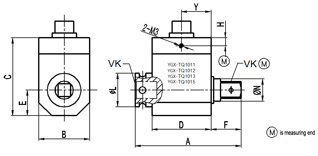
Dimension(mm):

|
Model
|
Cap..: Nm
|
VK
|
A
|
B
|
C
|
D
|
E
|
F
|
G
|
H
|
K
|
ΦL
|
ΦN
|
Y
|
Axial force N
|
Radial force N
|
|
TQ1010
|
5,10,15
|
1/4"
|
77
|
28
|
52
|
58
|
14
|
8.5
|
8
|
5
|
11
|
13
|
14.8
|
38
|
150
|
30
|
|
TQ1011
|
20,30
|
3/8"
|
74.5
|
38
|
58
|
44
|
19
|
18
|
/
|
6
|
/
|
25
|
12.7
|
22
|
500
|
60
|
|
TQ1012
|
50,100
|
1/2"
|
79
|
38
|
58
|
44
|
19
|
22.5
|
/
|
6
|
/
|
25
|
16.6
|
22
|
700
|
100
|
|
TQ1013
|
200-500
|
3/4"
|
97
|
58
|
76
|
50
|
29
|
30
|
/
|
5
|
/
|
40
|
30
|
25
|
2000
|
150
|
|
TQ1015
|
1000
|
1"
|
112
|
73
|
90
|
57
|
36.5
|
34.5
|
/
|
5
|
28.5
|
50
|
40
|
28.5
|
4000
|
250
|
Specifications
|
Rated Output
|
1.5±10% mV / V
|
|
Zero Output
|
±1%F.S
|
|
Non-Linearity
|
±0.1,0.3% F.S.
|
|
Hysteresis
|
≤±0.05% F.S.
|
|
Repeatability
|
≤±0.05% F.S.
|
|
Creep
|
≤±0.03% F.S/30min
|
|
Temperature sensitivity drift
|
0.03% F.S. / 10℃
|
|
Zero temperature drift
|
0.03% F.S. / 10℃
|
|
Input Impedance
|
350,750±10Ω
|
|
Output impedance
|
350,700±5Ω
|
|
Response frequency
|
100μS
|
|
Insulation
|
5000 MΩ/100VDC
|
|
Excitation voltage
|
10VDC(9-15VDC)
|
|
Temperature compensation range
|
-10 ~ 60℃
|
|
Operation Temperature Range
|
-20 ~ 65℃
|
|
Safe Overload
|
150%F.S
|
|
Ultimate overload
|
200% F.S.
|
|
Cable
|
Ø5.2×3m
|
|
Wiring
|
Input: Red(+) Green(-); Output: Yellow(+) White(-);
|
|
Material
|
Aluminum alloy, Stainless steel, Alloy steel
|
|
Custom-made
|
Available
|