Model: YGX-MRT Static torque sensor
Features and Applications
Resistance strain is an integrated product of sensitive components and integrated circuits.
High precision, stable and reliable performance.
Low-range torque measurement for easy installation and use.
Double flange connection.
Suitable for static torque measurement.
Torque sensor with German technology and production equipment and advanced testing device.
Capacity: 0~0.1, 0.2,0.5,1,2,3,5,10Nm
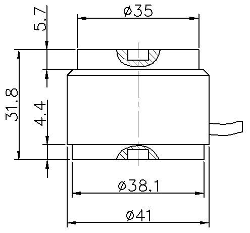
Dimension(mm):

Specifications
|
Rated Output
|
1.5±10% mV / V
|
|
Zero Output
|
±1%F.S
|
|
Non-Linearity
|
±0.1,0.3% F.S.
|
|
Hysteresis
|
≤±0.05% F.S.
|
|
Repeatability
|
≤±0.05% F.S.
|
|
Creep
|
≤±0.03% F.S/30min
|
|
Temperature sensitivity drift
|
0.03% F.S. / 10℃
|
|
Zero temperature drift
|
0.03% F.S. / 10℃
|
|
Input Impedance
|
350,750±10Ω
|
|
Output impedance
|
350,700±5Ω
|
|
Response frequency
|
100μS
|
|
Insulation
|
5000 MΩ/100VDC
|
|
Excitation voltage
|
10VDC(9-15VDC)
|
|
Temperature compensation range
|
-10 ~ 60℃
|
|
Operation Temperature Range
|
-20 ~ 65℃
|
|
Safe Overload
|
150%F.S
|
|
Ultimate overload
|
200% F.S.
|
|
Cable
|
Ø5.2×3m
|
|
Wiring
|
Input: Red(+) Green(-); Output: Yellow(+) White(-);
|
|
Material
|
Aluminum alloy, Stainless steel, Alloy steel
|
|
Custom-made
|
Available
|