Model: YGX-DL102M Membrane-type structure load cell High frequence long life
Features & Applications:
Membrane-type structure load cel;High frequence long life, fatigue rated more than 50 million cycles.
The sensor uses wheel elastic pulling type structure, has the characteristics of low profile, the eccentric load resistance, high precision, good strength, convenient installation, push-pull output symmetry.
Industrial automation measurement and control system is widely used in industrial systems force measuring and weighing, railway scale, hopper scale, weighing, measuring force.
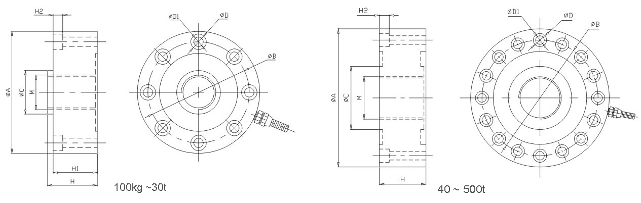
Capacity: 100kg~500t
Dimensions(mm):

|
Size(mm)
Capacity
|
ΦA
|
ΦB
|
ΦC
|
M
|
H
|
H1
|
H2
|
ΦD
|
ΦD1
|
|
100-1000kg
|
76
|
63
|
24
|
M16×1.5
|
34
|
30
|
7.2
|
8-Φ9
|
8-Φ6
|
|
1-5t
|
105
|
89
|
32
|
M16×1.5
|
37
|
34
|
7.2
|
8-Φ11
|
8-Φ7
|
|
10-20t
|
120.6
|
101.8
|
39
|
M32×1.5
|
53.5
|
41
|
10.5
|
8-Φ14
|
8-Φ9
|
|
30t
|
141
|
116.8
|
50.4
|
M40×1.5
|
57.2
|
50.8
|
11
|
8-Φ18
|
8-Φ11
|
|
Size(mm)
Capacity
|
ΦA
|
ΦB
|
ΦC
|
M
|
H
|
H2
|
ΦD
|
ΦD1
|
|
40-80t
|
208
|
174
|
95
|
M64×3
|
70
|
15
|
16-Φ20
|
16-Φ13
|
|
100-250t
|
280
|
230
|
120
|
M76×3
|
90
|
20
|
16-Φ30
|
16-Φ17
|
|
300-500t
|
360
|
300
|
190
|
M100×3
|
110
|
20
|
20-Φ40
|
20-Φ25
|
Specification:
| Rated output |
2.0±0.05mV/V |
| Non-linearity |
≤±0.03%F·S |
| Hysteresis |
≤±0.03%F·S |
| Repeatability |
≤±0.03%F·S |
| Creep(30min) |
≤±0.03%F·S |
| Zero balance |
≤±1%F·S |
| Temperature effect on zero |
≤±0.03%F·S/10℃ |
| Temperature effect on output |
≤±0.03%F·S/10℃ |
| Operation temperature range |
-20℃~+80℃ |
| Input impedance |
750±20Ω |
| Output impedance |
700±5Ω |
| Safe overload |
≤150%F·S |
| Insulation |
≥5000MΩ(50VDC) |
| Recommended excitation |
10V-15V |
| Protection Class |
IP67 |
| Wiring |
Red: + Excitation Black: - Excitation
Green: + Signal White: - Signal
|