Model:YGX-D107
Features & Applications:
Tight construction, High accuracy, High stability ,Stainless steel
Robot hand grasping, the touch of a finger touch the phone fingerprint pressure tester, cold and hot pressure testing machine, automatic locking screw machine and other small installation space force detection field
Capacity:0~5, 10, 20, 30, 50, 100, 200KG
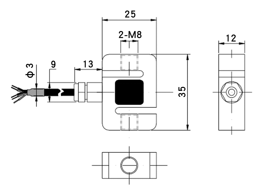
Dimensions(mm):

Specification:
|
Capacity
|
0-200KG
|
|
Material
|
Stainless steel
|
|
Rated output
|
1.0~2.0mV/V
|
|
Non-linearity
|
≤±0.03%F·S
|
|
Hysteresis
|
≤±0.03%F·S
|
|
Repeatability
|
≤±0.03%F·S
|
|
Creep(30min)
|
≤±0.03%F·S
|
|
Zero balance
|
≤±2%F·S
|
|
Temperature effect on zero
|
≤±0.03%F·S/10℃
|
|
Temperature effect on output
|
≤±0.03%F·S/10℃
|
|
Operation temperature range
|
-20℃~+80℃
|
|
Input impedance
|
350±5Ω
|
|
Output impedance
|
350±5Ω
|
|
Safe overload
|
≤150%F·S
|
|
Ultimate Load
|
200%
|
|
Insulation
|
≥5000MΩ(50VDC)
|
|
Recommended excitation
|
5V-15V
|
|
Cable
|
φ3x 2m
|
|
Wiring
|
Red: + Excitation Black: - Excitation
Green: + Signal White: - Signal
|