Model: YGX601E
Features & Applications:
Low profile, small deflection ;
Made of stainless steel
Customizable, IP66 protection;
Suitable for force measurement in limited spaces.
Widely used for industrial measurement and control, R&D and other applications
Capacity: 0.5, 2, 4, 8, 12, 25KN
Load Direction

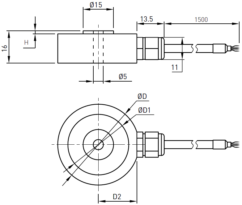
Dimensions(mm):

|
Size(mm)
Cap(KN)
|
D
|
D1
|
D2
|
H
|
Material
|
Weight
|
|
0.5/2
|
40
|
30
|
19
|
3.4
|
Stainless steel
|
0.3kg
|
|
4
|
40
|
30
|
19
|
2.8
|
|
8
|
40
|
30
|
19
|
1.5
|
|
12
|
47
|
35
|
22.8
|
2
|
0.4kg
|
|
25
|
47
|
35
|
22.8
|
1.5
|
Specification
|
Rated output
|
2.0±10% mV / V
|
|
Zero balance
|
± 2 % F.S.
|
|
Non-linearity
|
0.5 % F.S.
|
|
Hysteresis
|
0.3% F.S.
|
|
Repeatability
|
0.2 % F.S.
|
|
Creep (30min)
|
0.05 % F.S.
|
|
Temp. effect on output
|
0.05 % F.S. / 10ºC
|
|
Temp. effect on zero
|
0.05 % F.S. / 10ºC
|
|
Input impedance
|
380±10Ω
|
|
Output impedance
|
350±5Ω
|
|
Insulation
|
≥5000MΩ/100VDC
|
|
Recommended excitation
|
10 V
|
|
Maximum excitation
|
15 V
|
|
Compensated temp range
|
- 10 ~ 60 ºC
|
|
Operation temp range
|
- 20 ~ 80ºC
|
|
Safe overload
|
120% F.S.
|
|
Ultimate overload
|
150 % F.S.
|
|
Cable size
|
Ø4×1500 mm
|
|
Protection class
|
IP66
|
|
Wiring
|
Red: + Excitation Black: - Excitation
Green: + Signal White: - Signal
|
Note:Cable shield is not connected to the body.