| |
|
Shenzhen Yi Guan Xing Tech. Development Co., Ltd.
Contact: Steven Yuan
Mobile: +86 13632804287
Wechat: 0086 13632804287
QQ :1225609859
Skype: yuanguigen
E-mail: stevenyuanexport@163.com
Address: Honghua Road, Nantou Sub-district, Nanshan District,Shenzhen,China
|
|
|
|
Round load cell? 50t 100t??200t 300t 400t 500t
Model: YGX-DL105
Features & Applications:
The sensor uses spoke elastic body structure, the shear stress theory, has the characteristics of low profile, the eccentric load resistance, high precision, good strength, suitable for various loading test.
Widely used in various electronic scales, cement mixer batching bin, powder mixer, and industrial automation measurement and control system.
Capacity: 50~500T
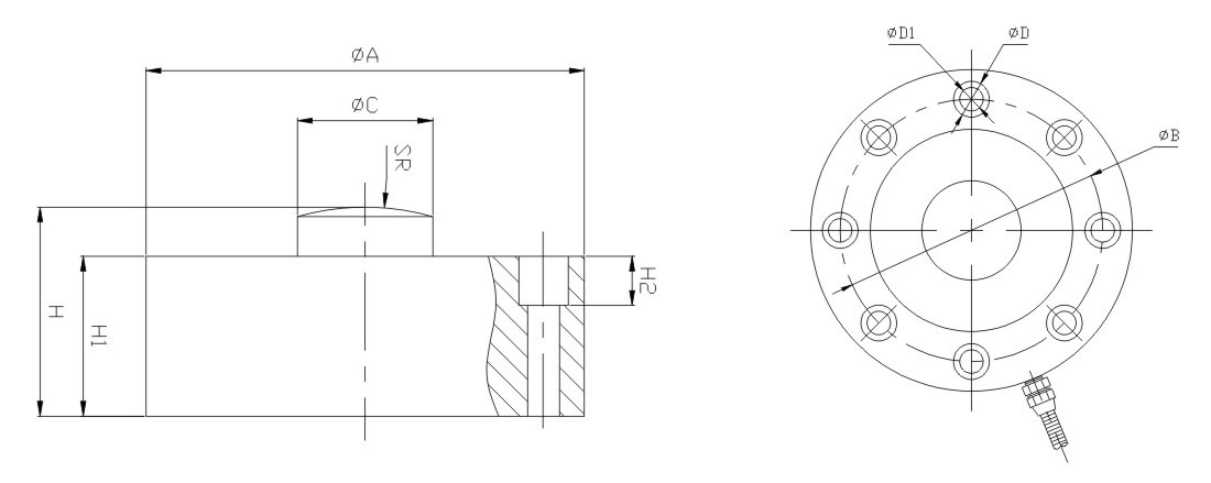
Dimensions(mm):
Size(mm)
Capacity |
φA |
φB |
φC |
SR |
H |
H1 |
H2 |
φD |
φD2 |
| 50-70t |
148 |
124 |
45 |
50 |
88 |
70 |
15 |
4-φ20 |
4-φ13 |
| 80t |
178 |
145 |
55 |
100 |
85 |
65 |
15 |
8-φ20 |
8-φ13 |
| 100-150t |
208 |
176 |
60 |
100 |
95 |
75 |
20 |
8-φ20 |
8-φ13 |
| 200-300t |
278 |
240 |
90 |
100 |
110 |
90 |
20 |
8-φ30 |
8-φ17 |
| 400-500t |
315 |
260 |
145 |
450 |
130 |
115 |
15 |
16-φ30 |
16-φ17 |
Specification:
|
Rated output
|
2.0±0.05mV/V
|
|
Non-linearity
|
≤±0.05%F·S
|
|
Hysteresis
|
≤±0.05%F·S
|
|
Repeatability
|
≤±0.05%F·S
|
|
Creep(30min)
|
≤±0.05%F·S
|
|
Zero balance
|
≤±1%F·S
|
|
Temperature effect on zero
|
≤±0.05%F·S/10℃
|
|
Temperature effect on output
|
≤±0.05%F·S/10℃
|
|
Operation temperature range
|
-20℃~+80℃
|
|
Input impedance
|
750±20Ω
|
|
Output impedance
|
700±5Ω
|
|
Safe overload
|
≤150%F·S
|
|
Insulation
|
≥5000MΩ(50VDC)
|
|
Recommended excitation
|
10V-15V
|
|
Protection Class
|
IP67
|
|
Wiring
|
Red: + Excitation Black: - Excitation
Green: + Signal White: - Signal
|
|
 |
|
|