| |
|
Shenzhen Yi Guan Xing Tech. Development Co., Ltd.
Contact: Steven Yuan
Mobile: +86 13632804287
Wechat: 0086 13632804287
QQ :1225609859
Skype: yuanguigen
E-mail: stevenyuanexport@163.com
Address: Honghua Road, Nantou Sub-district, Nanshan District,Shenzhen,China
|
|
|
|
Torque transducers 0.5Nm 1Nm 2Nm 5Nm 10Nm 20Nm 50Nm 100Nm
Model: YGX-TQ11 Static torque sensor
Features and Applications:
One product of resistance strain gauge as the sensitive element and integrated circuit.
High precision, stable and reliable performance.
Low capacity torque measurement, convenient installation and use.
One end key connection, the other end is a flange connection.
Applies to static torque measurement.
Torque sensor using German technology and production equipment and advanced detection equipment.
Capacity: 0~0.5,1,2,5,10,20,50,100 Nm
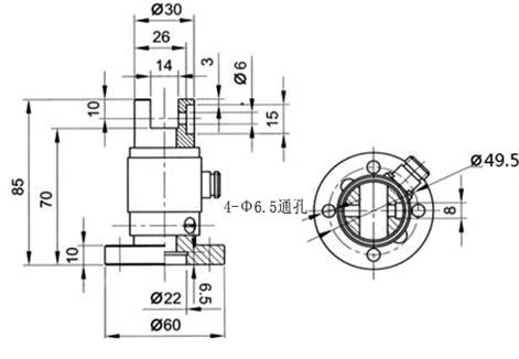
Dimension(mm):

Specifications
|
Rated Output
|
1.0~2.0 mV/V
|
|
Non-Linearity
|
±0.1%F.S.
|
|
Hysteresis
|
±0.5%F.S.
|
|
Repeatability
|
±0.3%F.S.
|
|
Operation TemperatureRange
|
-35~+80℃
|
|
Compensated TemperatureRange
|
20~+60℃
|
|
Temperature Effect On Zero
|
±0.1%F.S/10 ℃
|
|
Recommended Excitation
|
12 VDC
|
|
Response frequency
|
100μS
|
|
Insulation
|
2000 MΩ/100VDC
|
|
Input Impedance
|
700±10/350±10Ω
|
|
Output impedance
|
700±5/350±5Ω
|
|
Zero Output
|
0~±1%F.S
|
|
Safe Overload
|
120%F.S
|
|
Material
|
Alloy steel
|
|
Cable Color Code
|
Input: Red(+) Green(-);
Output: Yellow(+) White(-);
|
|
 |
|
|